Conductor Replacement Roller

Features and benefits

  • Material: 30% glass filled Nylon 6 from bespoke mould tooling.
  • Design: Bespoke design incorporates aperture of 65mm to accept smooth passage of joints and connectors.
  • Testing: Type registered to industry standards; Non conductive through use of insulating materials

The Conductor Replacement Roller (CRR) provides a simple, conductor-deployed protection system using a lightweight aramid rope.

The CRR unit enables the safe exchange of conductors in three easy steps:

  1. Laying out the pulling cable, e.g. with an electric pulling robot.
  2. Tensioning the CRR Block assembly.
  3. Feeding a new conductor through the cable pulleys of the CRR Block.

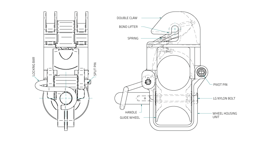
The CRR rollers have spring loaded gripping feature to secure the rope laterally without impinging any rotational movement as the rollers rotate around the axis of the conductor.

Considerable effort has been made to reduce the complexity of the design to provide a simple mechanism to hold the rope and then connect around the conductor.

Designed for rapid deployment and secure connection the external locking mechanism can be inspected from ground level.

Conductor Replacement Roller drawing
Slingco Part No. Weight (kg) WLL (kg) FOS (kg)
ZSN113711.25200800

A note about dimensions and tolerances

Slingco Part No. Weight (lb) WLL (lb) FOS (lb)
ZSN113712.764401,763

A note about dimensions and tolerances

Related products

With increasingly stringent regulations, maintenance can be costly, time-consuming and challenging for th...

Don't see the product you need?

Our range is continually developing and expanding - plus we frequently undertake custom engineering design - so if you don’t see the exact product you need, please contact us with your exact requirements.

Product search

Featured markets

Slingco cable products and assemblies are found in a variety of industries such as civil engineering, aerospace, construction, transport, vehicle building, the military and the performing arts.
Slingco is a leading specialist supplier to the offshore industries, with products designed to meet the most demanding requirements of the Oil and Gas industry.
Slingco cable pulling grips, cable support grips and swivels are widely specified throughout the power utility industry.
View all markets
  • We do so appreciate your efforts ... as we expected, Slingco continues to keep the bar high when it comes to customer service and support. Looking forward to many more years of our continued success together!

    Bill

  • Thanks for the awesome customer service!

    Holly

  • Thanks so much for your help. As always, you guys are awesome. It’s a pleasure to work with you!

    Charlie

  • We received the parts today, and I just wanted to tell you that it has been a pleasure working with you on these cable protectors. You guys did a great job of getting us what we needed and getting it to us quickly. We look forward to developing a long and mutually beneficial relationship between our companies.

    Kent

  • I know this is a quote, but I cannot express to you how much it means to see 'ALL PARTS ARE IN STOCK' - your team does a fine job.

    Robert

  • I really appreciate how accommodating you and your company have been with our requests. Great work!

    Steve

  • Thank you so much for your excellent customer service — especially to the shipping department.

    Ricardo

  • Thanks a lot to you guys. It is a pleasure to receive such superlative customer service.

    Yvan

Want to know how Slingco could make a difference to your business? Find out more...

See what makes us tick: watch our company video